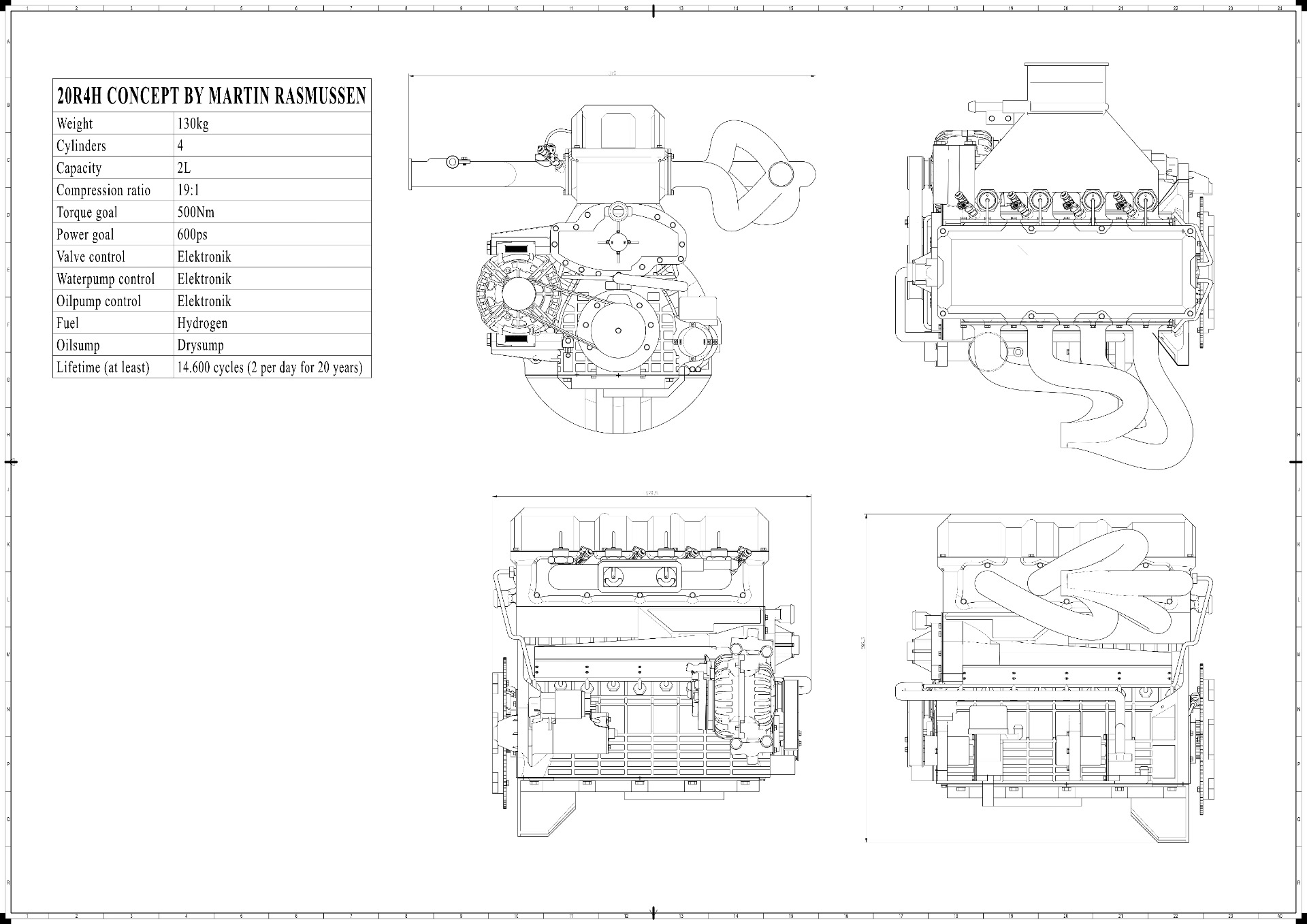
20R4H
Udvikling af et nyt system til en hydrogen forbrændingsmotor til at erstatte fossile forbrændingsmotorer.
OMKRING PROJEKTET
20R4H projektet handler om at skabe en Hydrogen forbrændingsmotor. I en tid hvor det er meget vigtigt at skabe transport der er CO2 neutral kan hydrogenmotoren ikke ignoreres. Det er her muligt at skabe en grøn forbrændingsmotor der ikke udleder nogle skadende stoffer samt opnå en billig konstruktion, som heller ikke kræver ædle og skadelige materialer i modsætning til elbiler.
Motoren gør brug elektronisk styrede komponenter og kan derfor programmeres til at opnå det optimale forbrug af energi i alle scenarier. Det vil sige at der ikke er nogle slavekomponenter som altid skal trækkes med, men i stedet for kan man slukke for komponenter eller sænke deres effekt skulle det være nødvendigt. På den måde kan man spare på energien og skabe en grønnere motor.
Det sikre på samme tid et produkt som kan anvendes i mange platforme og segmenter da den kan programmeres til at være både en økonomisk eller sportslig løsning.


